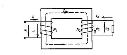
單相變壓器有兩個線圈共同繞在一個閉合鐵芯上,如右圖所示,其中與電源相連的線圈稱為原邊線圈,與原邊線圈相關的各量的標示符號均在右下角標注以角碼1,如U1、I1等,與負載項鏈的線圈稱為副邊線圈,相關度額各量的標示符號均在右下角標注角碼2,如U2、I2等。
此變壓器工作原理為:當變壓器的原繞組施以交變電壓u1時,便在原繞組中產生一個交變電流i1,這個電流在鐵芯中產生交變磁通Φ,因為原、副繞組在同一個鐵芯上,所以當磁通Φ穿過副繞組時,便在變壓器副邊產生感應電動勢e2(即變壓電壓)。變壓器中感應電動勢的大小是和線圈的匝數、磁通的大小及電源的頻率成正比。
